Produkty subskrypcyjne w twoim koszyku
Ustaw jedną częstotliwość dostaw dla wszystkich produktów subskrypcyjnych z twojego koszyka co:
Produkty subskrypcyjne w twoim koszyku
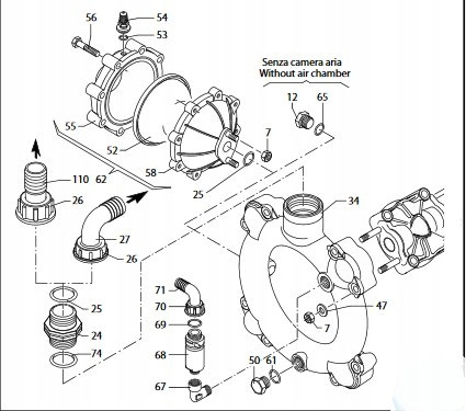
Membrana powietrznika pompy AR 550194
Dane techniczne:
- średnica (mm): 110
- grubość (mm): 8
- wysokość (mm): 32
- materiał: Blueflex
Pasuje do modeli pomp:
AR 30 - 40 / AR 70BP / AR 115BP - 135BP / AR 125BP - 145BP / AR 150BP / AR 160BP - 185BP / AR 180BP - 230BP - 260BP
AR 215BP - 250BP - 280BP / AR 245BP - 275BP / AR 330BP - 380BP / AR 410BP - 460BP
AR 903 - 1053 - 1203 / AR 1604
AR 320BP TWIN - 370BP TWIN / AR 500BP TWIN - 560BP TWIN
BHA130 - 150 / BHA170 - 200 / BHP130 - 150 / BHP170 - 200 / BHS130 - 150 / BHS170 - 200
Posiadamy w ofercie wszystkie części zamienne do pomp.
- wytrzymała i długa żywotność
- odporna na agresywne środki chemiczne
- specjalny kształt w autorskiej technologii dynamiki płynów
- osiągnęła 3000 h pracy w testach terenowych














